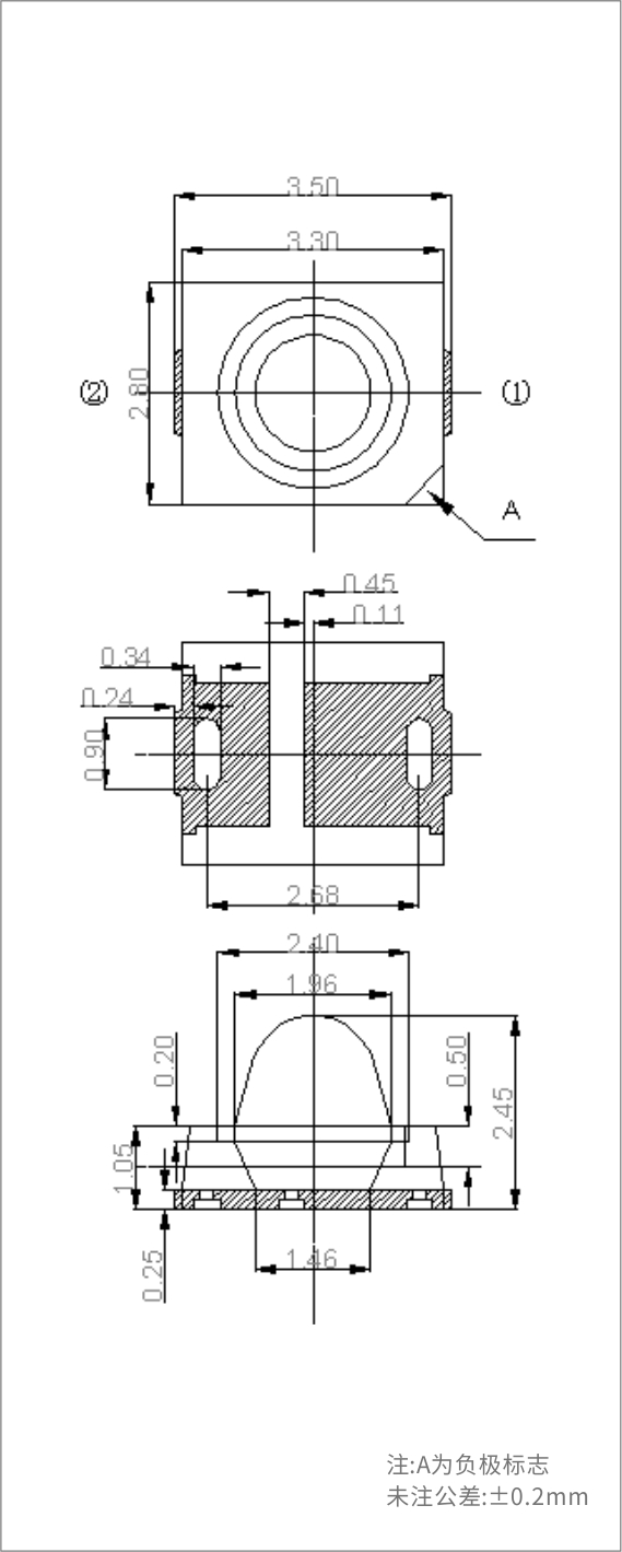
• 表面贴装型封装,垂直散热结构,耐热性能优异
• 气密性高,可靠性高,性价比高
• 可用于监控摄像机、红外发射接收设备
• 功率:0.2W
| 参数名称 | 符号 | 数值 |
| 正向电流 | IF | 100mA |
|
正向脉冲电流* | IFP | 500mA |
|
反向电压 |
VR |
5V |
|
工作温度 |
TOPR |
-30℃~+85℃ |
|
储存温度 |
TSTG |
-40℃~+100℃ |
| 产品型号 | IF(mA)TEST | VF(v)Typ. | Po(mW)Typ. | Ee(mW/sr)Typ. | λP(nm)Typ. |
2θ1/2(°) |
| FM-T3528IRS-850N-A60 | 100 | 1.7 | 55 | 25 | 855 | 60 |
| FM-T3528IRS-940N-A60 | 100 | 1.4 | 55 | 25 | 940 | 60 |
