头部二维码
股票代码:002449
返回

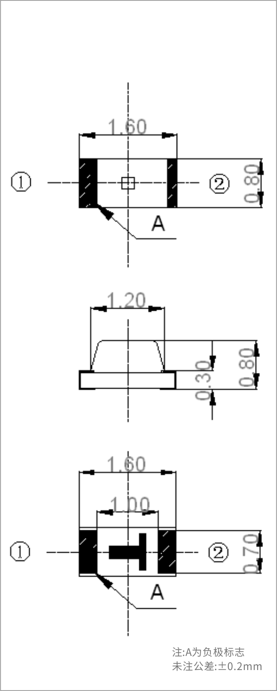
1608系列

goods_5bea8fd11814b


产品特点

• 表面贴装型封装
• 幅射强度高、顺向电压低
• 可用于消费类组件、摇控触控平板、工业设备

发射管:

产品参数/Ta=25℃:
Product Size
L×W×Hmm
VF (V) Typ.

VF (V) Max.

Ie (mW/sr)
Min.

Ie (mW/sr)
Typ.

λP(nm)Typ.
2θ1/2(°)
FC-1608IK-850 1.6×0.8×0.8
1.5 1.8 2.0 2.5 850 150
FC-1608IK-940 1.6×0.8×0.8
1.2 1.5 0.5 1.1 940 150


接收管:

产品参数/Ta=25℃:
ProductSize
L×W×Hmm
λP(nm)
Typ.

Rise/Fall
Time(us)


Vce=(sat)
Max.


IC(on)Min
(mA).

IC(on)Typ
(mA).

IC(on)-Max
(mA).

FC-1608PDk1.6×0.8×0.8
940 15/15 0.4 0.15 0.45 -













外形尺寸/单位(mm)